KSG писал(а) 22.01.2020 :: 23:59:10:Насчёт шумности - при огромных сигналах в усилителе мощности это некритично.
Понял. Но, всё таки это хайфай усилитель, транзистор на пути сигнала, хочется как минимум не навредить

.
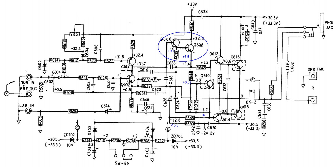
Цитата:Я всё-таки возвращаюсь к схеме с вольтажами: если у Q614 на базе +6 Вольт, а на эмиттере -0,6 Вольт, то это говорит об обрыве перехода б-э.
Приношу извинения, не пояснил что там на картинке - синие цифры, это мои измерения, чёрные - заводское "что должно быть". Если всё сложится, то сегодня вечером нормальную "карту напряжении" составлю.
Цитата:Кстати, его структура на верхней схеме нарисована неправильно, в отличие от нижней схемы, где он на самом деле транзистор p-n-p.
Вообще, при нормальной работе у n-p-n на базе относительно эмиттера должно быть около +0,6 Вольта, а у p-n-p -0,6 Вольта.
R630/R632 осуществляют следящую обратную связь и подают выходное напряжение в эмиттер Q602. Электролит С622 не имеет ли утечки?
Посмотрите, не расконтачился ли уже упомянутый подстроечник VR6.
Хорошо посмотрю. В целом, при просмотре осциллографом, весь канал после Q606, вроде бы исправно работает как повторитель. Только у него получается какое-то смещение на входе, которое, по неясным мне причинам задано на коллекторе Q606. На базе - напряжение такое же как у другого канала. По этому делаю вывод, что напряжение откуда-то, но для постоянки как бы некуда появится, везде конденсаторы. Похоже и их придётся проверять один за другим.
Sau